產品介紹
咨詢服務熱線:13957717877
產品概述
資料下載
相關產品
相關資訊


為什么選擇CR系列金屬指示燈? |
在工業應用中,指示設備的穩定性、耐用性及安裝便利性至關重要。CR系列金屬指示 燈正是為此而生,它融合了金屬材質的堅固性與精良的電氣設計,解決了普通指示燈易損 壞、壽命短的問題。選擇CR系列,意味著為您的設備選擇了經久耐用、指示明確的信號 解決方案。 |
CR系列金屬指示燈產品優勢: |
1、堅固耐用:頭部采用不銹鋼或黃銅鍍鎳材質,具備良好的機械強度與耐腐蝕性,抗破 壞性強,延長了產品使用壽命。 |
2、通用性強:提供從φ6mm到φ22mm的多種安裝口尺寸,并配備帶線與接線柱兩種接 線方式,適配各種安裝場景與接線習慣。 |
3、顯示清晰:大功率設計指示燈亮度高,信號穿透力強。提供紅、綠、藍、黃、白 多種顏色,滿足不同狀態的指示需求。 |
4、結構精巧:超薄型設計節省安裝空間,科學的結構與美觀的外形,能提升設備的整體 質感。 |
CR系列金屬指示燈產品特點: |
1、金屬頭部設計:頭部核心部件采用金屬材料,相較于塑料材質,更能抵御外力沖擊與 磨損,適合在振動、頻繁操作或存在潛在物理沖擊的環境下使用。 |
2、科學結構與外觀:產品結構設計合理,安裝穩固。外觀簡潔美觀,能與現代工業設備 的設計風格很好地融合。 |
3、豐富的安裝選項:支持φ6mm, 8mm, 10mm, 12mm, 16mm, 19mm, 22mm等多種 面板開孔尺寸,為用戶提供了廣泛的兼容性。 |
4、材質與工藝:主要材質為不銹鋼或黃銅鍍鎳,了產品的防腐與導電性能,適 合在多種工業環境中穩定工作。 |
5、靈活的接線方式:提供“帶15cm引線”和“接線柱-焊腳”兩種接線方式,方便用戶 根據現場情況選擇快捷、可靠的連接方案。 |
6、多色可選:標配紅、綠、藍、黃、白五種高亮度顏色,能夠清晰區分電源、運行、故 障、警示等不同設備狀態。 |
CR系列金屬指示燈產品應用: |
CR系列金屬指示燈廣泛應用于: |
1、工業自動化控制系統 |
2、數控機床與加工中心 |
3、電力配電柜、開關柜 |
4、工程機械與重型設備 |
5、通訊設備及服務器機柜 |
6、交通信號與安防系統 |

CR系列金屬指示燈型號說明: |
安裝 直徑 | 接線 方式 | 頭部 形狀 | 開關 組合 | 頭部 類型 | 發光 類型 | 發光 顏色 | 帶燈 電壓 | 外殼 材質 |
| φ6 φ8 φ10 φ12 φ16 φ19 φ22 φ25 φ28 φ30 | A插腳型 B接線柱 | P:平圓形 斜面外殼 G:高平圓形 斜面外殼 Q:球型斜面外 殼 | 1NO-10: (No為常開觸頭) 11: 為1NO1NC 22: 為2NO2NC | 無:自復 D:帶燈 EZ:帶燈自鎖 Z:自鎖 X2:兩位旋鈕 X3:三位旋鈕 Y2:兩位鑰匙鈕 Y3:三位鑰匙鈕 M:蘑菇鈕 ZS:緊急鈕 | D:單點 E:環形 DY:電源符號 | ![]() | (AV/DC,V) 6 12 24 220 | S:不銹鋼 N:黃銅鍍鎳 A:鋁氧化 |
CR系列金屬指示燈開關額定負載:
|
項目 | 參數 | |||||
額定絕緣電壓Ui | AC250V | |||||
發熱電流Ith | 4A | |||||
額定電壓(V) | DC6V | DC12V | DC24V | DC36V | DC48V | AC220V |
額定電流(A) | 4 | 3 | 2.5 | 2 | 2 | 3 |
CR系列金屬指示燈開關結構說明: |
觸頭示意圖 |
|
單組由三只插腳組成,雙組由六只插腳組成,單點快動通斷觸頭 |
CR系列金屬指示燈LED燈珠參數: |
項目 | 參數 | |
燈珠類型 | 高亮度LED燈珠,冷色 | |
額定電壓 | AC/DC:6V,12V,24V,220V | |
額定電流 | ≤20mA | |
| 降壓方式 | 單色發光內置雙電阻降壓 | |
單色發光電路圖: (不分正負)
| o+是指雙色燈公共端,電源為正 , R-是指雙色燈電源為負 G-是指雙色燈電源為負
注:在電流電壓下才可以使用, 高電壓為60V 可訂制雙正雙色燈。 | |
參考壽命 | 40000小時(參考值) | |
CR系列金屬指示燈其他參數: |
項目 | 參數 |
開關型式 | 快動單觸點 |
接觸電阻 | ≤50mΩ |
絕緣電阻 | ≥1000MΩ |
絕緣強度 | 2000VAC |
環境溫度 | -25℃~+55℃ |
電器壽命 | 5萬次以上 |
機械壽命 | 50萬次以上 |
防水等級 | IP65 |
防爆等級 | lk10(針對金屬材質) |
操作壓力 | 2.5~4.5N |
操作行程 | 接通約2mm,總行程約3mm |
螺母扭矩 | 5~14N.m |
外殼 | 不銹鋼/黃銅鍍鎳/鋁合金氧化/塑料 |
按鍵 | 不銹鋼/黃銅鍍鎳/鋁合金氧化/塑料 |
基座 | 鋁氧化 |
觸點 | 銀合金 |
CR系列金屬指示燈內部IP防塵、防水結構: |
|
CR系列金屬指示燈外部O型密封圈安裝方法: |
|
CR系列金屬指示燈實樣激光刻穿發光效果圖: |
|

CR系列金屬指示燈產品選型: |
產品圖形 | 產品參數 | 外形尺寸圖 |
| 產品型號:CR6-D/X 安裝孔尺寸:φ6mm 操作類型:指示燈 外殼材料:黃銅鍍鉻 帶燈方式:帶15cm 線 顏色: | |
| 產品型號:CR8-D/X 安裝孔尺寸:φ8mm 操作類型:指示燈 外殼材料:黃銅鍍鉻 帶燈方式:帶15cm 線 顏色: | ![]() |
| 產品型號:CR10-D/X 安裝孔尺寸:φ10mm 操作類型:指示燈 外殼材料:黃銅鍍鉻 帶燈方式:帶15cm 線 顏色: | ![]() |
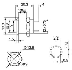
| 產品型號:CR12-D/X 安裝孔尺寸:φ12mm 操作類型:指示燈 外殼材料:不銹鋼/黃銅鍍鉻 帶燈方式:帶15cm 線 顏色: | ![]() |
| 產品型號:CR12-D/J 安裝孔尺寸:φ12mm 操作類型:指示燈 外殼材料:不銹鋼/黃銅鍍鉻 帶燈方式:接線柱-焊腳 顏色:
|
|
| 產品型號:CR16-D 安裝孔尺寸:φ16mm 操作類型:指示燈 外殼材料:不銹鋼/黃銅鍍鉻 帶燈方式:接線柱-焊腳 顏色:
|
|
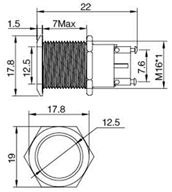
| 產品型號:CR19-D 安裝孔尺寸:φ19mm 操作類型:指示燈 外殼材料:不銹鋼/黃銅鍍鉻 帶燈方式:接線柱-焊腳 顏色:
|
|
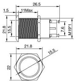
| 產品型號:CR22-D 安裝孔尺寸:φ22mm 操作類型:指示燈 外殼材料:不銹鋼/黃銅鍍鉻 帶燈方式:接線柱-焊腳 顏色:
|
|
上一個:CR系列金屬按鈕系列按鈕信號燈
優惠券
我們的微信
13957717877
13957796089