產品介紹
咨詢服務熱線:13957717877
產品概述
資料下載
相關產品


為何選擇GRI8-06系列電流繼電器? |
GRI8-06系列電流繼電器憑借其高適應性設計和便捷的安裝特性,成為工業電氣保 護領域的優選方案。該產品通過集成穿心式結構、寬電壓兼容性和多模式監控功能,顯 著降低安裝復雜度與系統改造成本,滿足復雜工況下的電流監測需求。 |
GRI8-06系列電流繼電器產品優勢: |
1、安裝便捷性:無需切斷主回路,大幅節省施工時間 |
2、配置靈活性:交直流通用檢測,支持外接互感器擴展量程 |
3、空間利用率高:超薄機身優化控制柜空間布局 |
4、系統兼容性強:寬電壓電源適應各類工業環境 |
GRI8-06系列電流繼電器產品特點: |
1、創穿心式結構 - 直接穿線安裝設計,徹底免除傳統電流繼電器需斷開主回路的操作步驟,提升 安裝效率并降低系統停機風險。 |
2、智能模式切換功能 - 通過面板旋鈕快速設定過流/欠流監控模式,無需專業工具即可完成參數配置,簡 化運維流程。 |
3、交直流全域檢測能力 - 提供交直流兼容規格選項,實現對不同電力系統的無縫適配,增強設備通用性。 |
4、可擴展監測范圍 - 內置隔離電流互感器同時支持外接互感器,監控電流范圍可擴展至數千安培等級, 滿足大電流場景需求。 |
5、寬幅電源適應性 - AC/DC 24~240V寬電壓輸入設計,有效應對工業現場電壓波動問題。 |
6、雙通道繼電器輸出 - 配備兩組獨立繼電器觸點(1CO+1NO),可同步觸發報警與控制指令,提升系統 聯動效率。 |
7、可視化狀態指示 - 高亮LED指示燈實時顯示繼電器工作狀態及故障類型,實現快速故障定位。 |
8、緊湊型設計 - 18mm超窄機身配合35mm標準卡軌安裝,為高密度電氣柜提供高效空間解決方 案。 |
GRI8-06系列電流繼電器產品應用: |
1、工業設備電流保護 - 對電機、變壓器、變頻器等關鍵設備實現過載/欠載實時監控,防止因電流異常導 致的設備損毀事故。 |
2、電力系統安全監測 - 應用于配電柜、UPS電源等系統,監測饋線電流狀態,保障供電連續性及負載安 全。 |
3、自動化產線監護 - 集成至PLC控制系統,對生產線傳輸設備、機械臂等執行機構進行電流閾值管理, 避免堵轉或空轉風險。 |
4、能源管理場景 - 在光伏逆變器、充電樁等新能源設備中監控電流波動,優化能源利用效率并觸發保 護機制。 |
5、基礎設施運維 - 適用于水泵房、風機房等公共設施,檢測設備異常停機狀態,及時啟動備用系統。 |

GRI8-06系列電流繼電器型號說明: |
|
代號 | 功能描述 |
A | 交流檢測型 |
B | 交直流檢測型 |
GRI8-06系列電流繼電器型號說明: |
型號 | GRI8-06A | GRI8-06B |
功能 | 交流檢測 | 交直流檢測 |
電源端子 | A1-A2 | |
額定電源電壓 | AC/DC 24V-240V | |
額定電源頻率 | 50/60Hz,0 | |
消耗功率 | max 1.5VA | |
電源允許波動范圍 | -15%;+10% | |
電流設置范圍 | 2A-20A | |
測量電流頻率 | AC 50Hz | AC 50Hz,DC |
電流設定方式 | 旋鈕設定 | |
動作延時時間 | 0.1s~10s | |
電源指示燈 | 綠色LED | |
設定精度 | 10% | |
電流測量精度 | 5% | |
溫度波動誤差 | <0.1%1℃ | |
滯后值 | 5% | |
輸出 | 2×SPDT | |
小切換功率 | 500mW | |
輸出繼電器指示 | 紅色LED | |
機械壽命 | 1×10? | |
電壽命(阻性負載) | 1×10? | |
工作環境溫度 | -20℃~+55℃ | |
存儲和運輸環境溫度 | -35℃~+75℃ | |
安裝方式 | 35mm卡軌安裝 | |
防護等級 | IP20 | |
安裝位置 | 任意 | |
安裝海拔高度 | ≤2000米 | |
污染等級 | 2 | |
接線能力 | 1×2.5mm2或2×1.5mm20.4N ·m | |
外形尺寸 | 90mm×36mm×64mm | |
重量 | 103g | 100g |
符合標準 | GB/T14048.5,IEC60947-5-1 | |

GRI8-06系列電流繼電器產品面板: |
GRI8-06A,交流監測 |
|
GRI8-06B,交直流監測 |
|
GRI8-06系列電流繼電器產品尺寸: |
GRI8-06A |
|
GRI8-06B |
|

GRI8-06系列電流繼電器產品功能: |
|
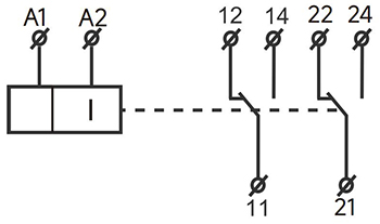
GRI8-06系列電流繼電器產品接線: |
|
被監測電流≤20A |
|
被監測電流>20A,通過CT變換為二次電流 |
|
注:GRI8-06B檢測直流時注意穿心方向,否則無法準確檢測,如電流小于2A,可以采 用多次穿心的方式。 |
優惠券
我們的微信
13957717877
13957796089