產品介紹
咨詢服務熱線:13957717877
產品概述
資料下載
相關產品
相關資訊


3V400系列三位兩通電磁閥產品特點:
1、鈦合金材質閥體:從模具到材料加工,從零部件到成品組裝嚴格把控每一個細節,
精益求精只為呈現更加的產品。
2、采用足匝線圈:直徑8MM高品質銅線,支持長時間通電,方便拆卸。
3、高精度先導頭:高頻次的氣閥精度,適用各種場景,不易卡頓更靈敏支持每秒5次
高頻,鋁活塞設計不卡頓。
4、可搭配匯流排,對所連接的方向控制閥數進行任意組合或擴充。
3V400系列三位兩通電磁閥型號及含義:


3V400系列三位兩通電磁閥技術參數:
| 項目/型號 | 3V410-15 | 3V420-15 |
| 工作介質 | 空氣(經40um濾網過濾) | |
| 動作方式 | 內部先導頭 | |
| 接管口徑 | 進氣=出氣=PT1/2 | |
| 位置數 | 三位兩通 | |
| 工作溫度 | -5~60°C(23~140°F) | |
| 有效截面積 | 50mm2(Cv=2.79) | |
| 潤滑 | 不需要 | |
| 使用壓力 | 0.15~0.8Mpa(21~114Psi) | |
| 耐壓力 | 1.2Mpa(170Psi) | |
| 耗電量 | AC:6VA DC:3W | |
| 保護等級 | IP65(DIN40050) | |
| 接電形式 | 端子式、出線式 | |
| 本體材質 | 鋁合金 | |
| 動作頻率 | 3次/秒 | |
| 耐熱等級 | B級 | |
| 使用電壓范圍 | -15%~+10% | |
| 勵磁時間 | 0.05秒以下 | |
| 注:動作頻率為空載狀態 | ||
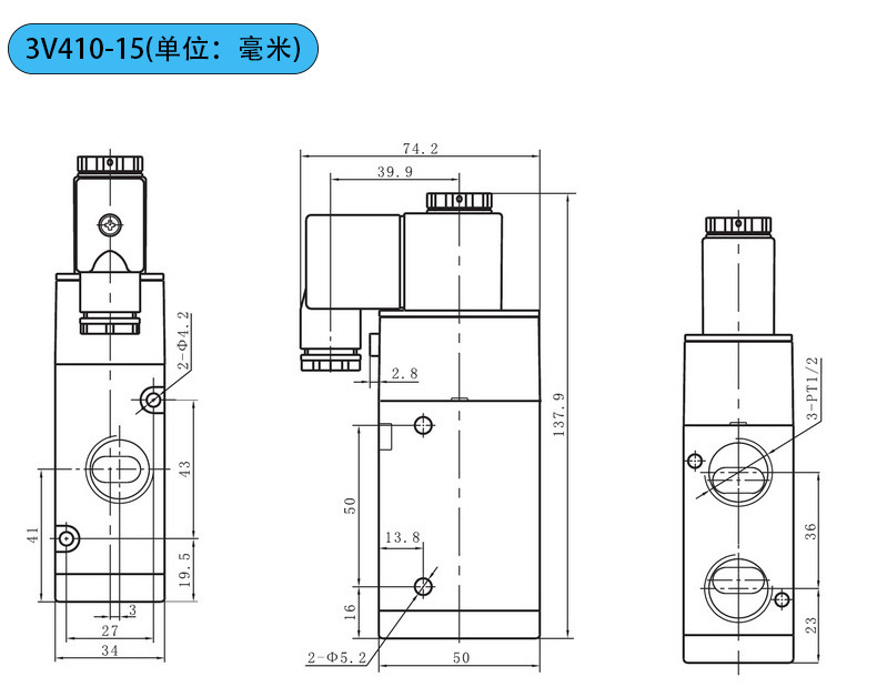
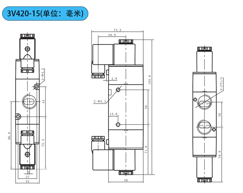
3V400系列三位兩通電磁閥產品尺寸:


3V400系列三位兩通電磁閥符號:

上一個:3V300系列三口二位電磁閥
下一個:4V200系列五口兩/三位電磁閥
優惠券
我們的微信
13957717877
13957796089