產品介紹
咨詢服務熱線:13957717877
產品概述
資料下載
相關產品
相關資訊


為何選擇GRT8-WS型Wifi控制時間繼電器? |
GRT8-WS將智能化與實用性深度融合,以簡操作、精準定時和靈活安裝,重新定義 家電控制體驗。它不僅是一款定時繼電器,更是提升生活品質的智能管家。無論您是追求 便捷的科技愛好者,還是注重實用的家庭用戶,GRT8-WS都能以穩定性能與親民設計, 成為您智慧生活的得力助手。 |
GRT8-WS型Wifi控制時間繼電器產品特點: |
1、?手機App智能操控? 接入主流智能平臺Tuya生態,通過手機App即可直觀設定設備的開啟/關閉時間, 界面簡潔易用。用戶可自定義每日、每周或特定日期的定時任務,告別繁瑣的手動操作, 讓家居設備管理盡在“掌”握。 |
2、?雙控模式,靈活切換? 支持“按鍵+App”雙重控制模式。無論是通過機身按鍵快速開關,還是遠程用App 調節設備狀態,均可滿足不同場景需求。突發狀況或臨時調整,皆可輕松應對。 |
3、?循環定時與倒計時功能? - ?時段循環控制?:在設定的時間段內(如每天18:00-22:00),自動循環開啟或關閉 負載,適用于庭院照明、魚缸供氧等需周期性運行的電設備。 - ?倒計時關閉?:一鍵設置倒計時(如2小時后關閉空調),無需復雜編程,有效避免 能源浪費,兼顧節能與便利。 |
4、?超緊湊設計,安裝便捷? 機身寬度僅18mm,適配標準35mm卡軌安裝,輕松融入配電箱或狹小空間,不占多 余位置。工業級材質與可靠電路設計,長期穩定運行,保障家庭用電安全。 |
GRT8-WS型Wifi控制時間繼電器產品應用: |
1、?家庭自動化?:定時開啟客廳燈光、清晨自動啟動咖啡機、夜間循環控制魚缸設備,營 造舒適生活節律。 |
2、?節能管理?:設置熱水器、空調等大功率電器在非高峰時段運行,降低能耗成本。 |
3、?安防聯動?:模擬居家活動規律,定時開關燈光窗簾,提升空置房屋的安全性。 |
4、?商業與小場景?:店鋪招牌定時啟閉、辦公區設備遠程管控,助力高效運營。 |

GRT8-WS型Wifi控制時間繼電器型號說明: |

GRT8-WS型Wifi控制時間繼電器產品尺寸: |


GRT8-WS型Wifi控制時間繼電器產品面板: |

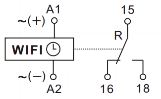
GRT8-WS型Wifi控制時間繼電器產品接線: |



GRT8-WS型Wifi控制時間繼電器技術參數: |
| 型號 | GRT8-WS |
| 功能 | WiFi控制型時間繼電器 |
| 供電端子 | A1-A2 |
| 電壓范圍 | AC/DC110-240V50Hz |
| 消耗功率 | AC0.09-3VA/DC 0.05-1.7W |
| 電源允許波動范圍 | -15%;+10% |
| 電源指示燈 | 綠色 LED |
| 時間設置 | APP |
| 時間偏差 | ±30s |
| WIFI鏈接 | 802.11 b/g/n 2.4GHz |
| 輸出 | 1組轉換觸點 |
| 16A/AC1 | |
| 小切換功率 | 500mW |
| 輸出指示燈 | red LED |
| 機械壽命 | 1×10? |
| 電壽命(阻性負載) | 1×105 |
| 工作環境溫度 | -20℃~+55℃ |
| 運輸和儲存環境溫度 | -35℃~+75℃ |
| 安裝方式 | 35mm卡軌安裝 |
| 防護等級 | IP20 |
| 安裝位置 | 任意 |
| 過電壓類別 | II. |
| 污染等級 | 2 |
| 電纜尺寸 | 1×2.5mm2或2x1.5mm20.4N-m |
| 尺寸 | 90mm×18mm×64mm |
| 重量 | 62g |
| 標準 | GB/T14048.5,IEC60947-5-1,EN61812-1 |
GRT8-WS型Wifi控制時間繼電器產品視頻: |
優惠券
我們的微信
13957717877
13957796089