產品介紹
咨詢服務熱線:13957717877
產品概述
資料下載
相關產品


GRL8-01/02系列液位控制繼電器產品優勢: |
1、一機多用:單臺設備兼容供/排水雙模式,減少備件種類 |
2、抗干擾設計:可調延時功能有效過濾虛假信號,動作可靠性提升 |
3、強兼容性:寬電壓輸入+寬阻抗范圍適配全球主流液位傳感器 |
4、維護便捷:模塊化插拔設計支持現場快速更換,LED雙指示降低故障診斷難度 |
5、安全強化:隔離電源設計防止感應電干擾,符合工業控制安全標準 |
GRL8-01/02系列液位控制繼電器產品特點: |
1、雙模式靈活配置 - 01型支持2-pole液位控制 - 02型支持2-pole或2-pole液位控制 |
2、工作模式可編程 - 通過撥碼開關自由選擇排水模式(液位過高觸發)或供水模式(液位過低觸發) |
3、精密參數調節 - 靈敏度5-100kΩ連續可調,適配不同電導率液體 - 動作延時0.1s-10s可設,有效抑制液面波動干擾 |
4、寬電壓兼容設計 - 支持AC/DC 24~240V寬幅輸入,隔離電源增強系統安全性 |
5、可視化狀態管理 - 雙色LED指示燈實時顯示供電狀態與繼電器動作信號 |
6、工業級緊湊結構 - 符合DIN EN 60715標準的35mm導軌安裝,18mm超薄寬度節省控制柜空間 |
GRL8-01/02系列液位控制繼電器產品應用: |
1、民用供水系統 - 水塔/屋頂水箱的自動補水控制 - 地下室集水井排水泵自動啟停 |
2、農業灌溉管理 - 農田蓄水池水位監測 - 溫室種植滴灌系統液位保護 |
3、工業流程控制 - 冷卻循環水箱液位維持 - 化工儲罐高低液位聯鎖保護 |
4、環保設施監控 - 污水處理廠調節池液位控制 - 雨水回收系統溢流防護 |
5、消防系統保障 - 消防水池水位實時監測與報警聯動 |

GRL8-01/02系列液位控制繼電器型號說明: |
|
GRL8-01/02系列液位控制繼電器技術參數: |
型號 | GRL8-01 | GRL8-02 |
功能 | 2液位控制 | 1或2液位控制 |
電源端子 | A1-A2 | |
額定電源電壓 | AC/DC 24-240V(50-60Hz) | |
消耗功率 | 2VA | |
電源允許波動范圍 | -15%;+10% | |
靈敏度調節范圍 | 5 kΩ-100 kΩ(旋鈕調節) | |
電探測電壓 | .AC 5V | |
電電流 | AC<0.1 mA | |
響應時間 | 400 ms | |
電電纜允許分布電容(值) | 800 nF(靈敏度為5kΩ),100 nF(靈敏度為100 kΩ) | |
電電纜長度 | 長100米 | |
動作延時時間 | 0.1s-10 s(可調) | |
設定精度 | 10% | |
| 輸出觸點參數 | 1×SPDT | |
10A/AC1 | ||
250VAC/24VDC | ||
小切換功率 | 500mW | |
輸出繼電器指示 | 紅色LED | |
機械壽命 | 1×10? | |
電壽命(阻性負載) | 1×10? | |
工作環境溫度 | -20℃~+55℃ | |
存儲和運輸環境溫度 | -35℃~+75℃ | |
安裝方式 | 35mm卡軌安裝 | |
防護等級 | IP20 | |
安裝位置 | 任意 | |
安裝海拔高度 | ≤2000米 | |
污染等級 | 2 | |
接線能力 | 1×2.5mm2或2×1.5mm2 0.8N ·m | |
外形尺寸 | 90mm×18mm×64mm | |
重量 | 70g | 72g |
符合標準 | EN 60255-1,IEC60947-5-1,GB/T14048.5 | |

GRL8-01/02系列液位控制繼電器產品面板: |
|
GRL8-01/02系列液位控制繼電器產品尺寸: |
|

GRL8-01/02系列液位控制繼電器產品功能: | |
GRL8-01產品功能圖: | |
| |
GRL8-02產品功能圖: | |
| |
| 1液位控制(供水,ton模式) |
| |
| 1液位控制(供水,toff模式) |
| |
| 1液位控制(排水,ton模式) |
| |
| 1液位控制(排水,toff模式) |
| |
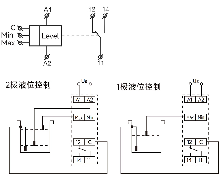
GRL8-01/02系列液位控制繼電器產品接線: | |
| |
優惠券
我們的微信
13957717877
13957796089